Лучшее предложение
Советуем
144 000 ₽/т
Варианты цен
144 000 ₽/т
Характеристики
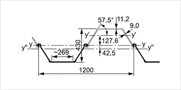
Расстояние между серединами замков (В), мм
—
600
Толщина стенки (S), мм
—
9,0
Масса 1 погонного метра, кг
—
76,9
Упругий момент сопротивления, см3/м
—
1 800
144 000 ₽/т
Варианты цен
144 000 ₽/т
В корзинуВ корзине
Купить в 1 клик
Характеристики
Расстояние между серединами замков (В), мм
—
600
Толщина стенки (S), мм
—
9,0
Масса 1 погонного метра, кг
—
76,9
Упругий момент сопротивления, см3/м
—
1 800
Нужна консультация?
Наши специалисты ответят на любой интересующий вопрос
Задать вопрос