Лучшее предложение
Советуем
167 000 ₽/т
Варианты цен
167 000 ₽/т
Характеристики
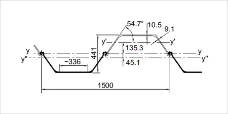
Расстояние между серединами замков (В), мм
—
750
Толщина стенки (S), мм
—
10,5
Масса 1 погонного метра, кг
—
88,5
Упругий момент сопротивления, см3/м
—
1 780
167 000 ₽/т
Варианты цен
167 000 ₽/т
В корзинуВ корзине
Купить в 1 клик
Характеристики
Расстояние между серединами замков (В), мм
—
750
Толщина стенки (S), мм
—
10,5
Масса 1 погонного метра, кг
—
88,5
Упругий момент сопротивления, см3/м
—
1 780
Нужна консультация?
Наши специалисты ответят на любой интересующий вопрос
Задать вопрос